- Rockin’ Patent®: GB Patent No. 2,424,137
- Filed: 11 March 2005
- In the name of: Audio Partnership PLC
- Title: Amplifier
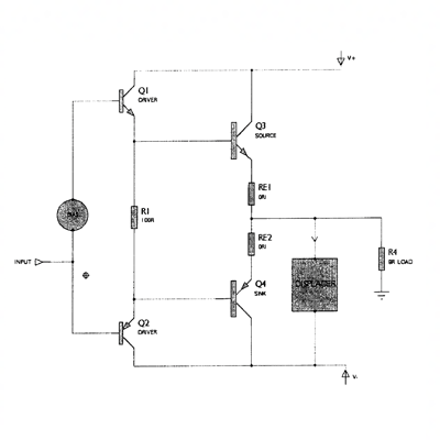
- What’s claimed: “An output sage for an amplifier, the output stage having first and second output devices connected to an output line, one output device handling a portion of an output signal above a transition voltage region and the other output device handling a portion of the output signal below the transition voltage region, with handling of the output signal being transferred between the first and second output devices in the transition voltage religion, wherein the transition voltage region is spaced from 0V.”
- Why this patent rocks: This patent appears to relate to Cambridge Audio’s ‘crossover displacement’ technology used in power amplifiers, which removes a certain amount of distortion without collateral compromises. For more information, see here.
If you’re a patent-savvy music tech business looking for patent help, get in touch with Russell IP here!
The information above is for general interest and information only and does not constitute legal advice.

